Speck BADU Prime 20 / 400 Volt
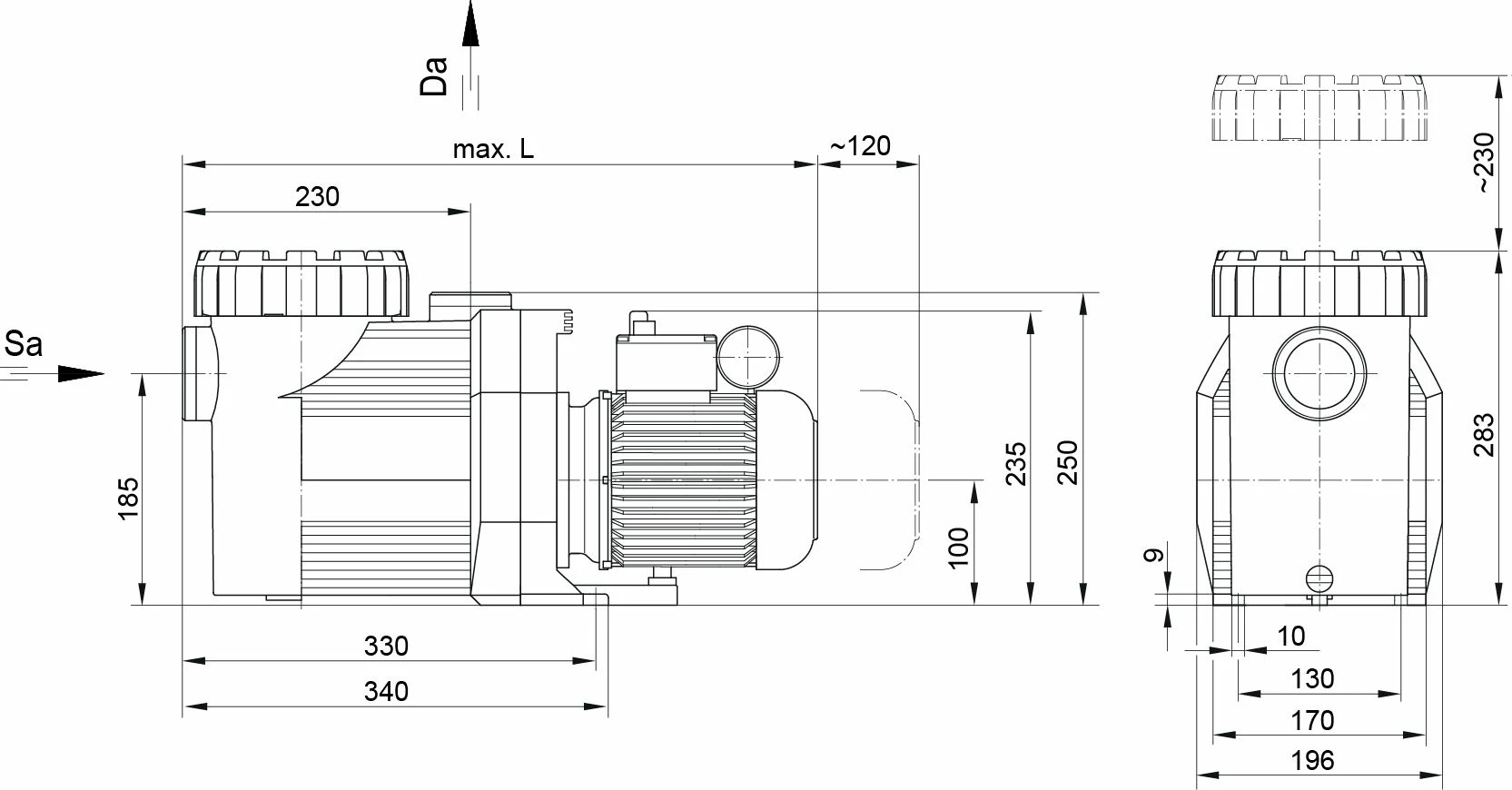
De Badu Prime is een blokpomp met een geïntegreerde filtermand. Deze zwembadpomp wordt ingezet voor circulatie van zwembadwater in een filterinstallatie. De Badu Prime is een zelfaanzuigende pomp. Dit betekent dat deze max. 3 meter boven of max. 3 meter onder het waterniveau geplaatst kan worden. Deze pomp is geschikt voor professionele zwembaden met een inhoud van 30-120 m³.
Voordelen van de Badu Prime:
- De pomp is geschikt voor natuurbaden, zwemvijvers evenals openbare buiten- & binnenbaden
- Ontworpen voor grote filterunits
- Dankzij het glasvezelversterkte materiaal voldoet de Badu Prime aan alle eisen
- De geluidsarme uitvoering en innovatieve optimalisatie maken de Badu Prime compleet
- De Badu Prime is de opvolger van de bekende Badu 90 serie. De inbouwmaten en de capaciteit zijn verder gelijk gebleven. Hierdoor is de Badu Prime 1 op 1 uitwisselbaar met de Badu 90. Daarnaast voldoet de Badu Prime aan de nieuwste richtlijnen
- Tevens leverbaar in AK-uitvoering
- Inclusief praktische openingshulp waarmee de transparante deksel eenvoudig te openen is
Speck is een bedrijf dat zich met name richt op de productie en samenstelling van pompen. Speck produceert niet alleen zwembadpompen, maar is werkzaam in andere sectoren die in eerste instantie weinig te maken hebben met de zwembadbranche. Speck is ook actief in de scheepvaart, indrustrie en agrarische sector. Allemaal sectoren waarbij de betrouwbaarheid en kwaliteit van de pompen erg belangrijk zijn. Speck pompen hebben deze focus op kwaliteit ook in de zwembadtechniek. Speck zwembadpompen zijn van Duitse kwaliteit, dit houdt in dat ze gemaakt zijn van goede materialen met een hoge efficiënte. Speck pompen presteren daarom ook goed bij een hoge weerstand.

















Beoordelingen
Er zijn nog geen beoordelingen.